CZ Purlin Roll Forming Machine
Features
CZ Purlin Roll forming machine can produce C, Z profiles. Produce the C and Z purlin by exchange one side of the roller up and down, only need about half hour. This machine also can adjust roller horizontal distance to achieve C or Z purlins of the width with high precision automatic. And also save time and increase production.
CZ Purlin Roll Forming Machine Applications
The finished products are widely used as the supporter of roof and wall in large-scale and mid-scale construction, such as factory, warehouse, garage, exhibition center, cinema, theatre, garden and so on.
CZ Purlin Roll Forming Machine Process Flow
Uncoiler — Feeding — Straightening — Pre-punching — Pre-cutting — Roll Forming — Exit Rack
Machine Configurations
| 1. Hydraulic Uncoiler |
2. Feeding Device
|
| 3. Straightening |
4. Roll Forming Machine
|
| 5. Post Punching | 6. Post Cutting |
| 7. PLC Control System | 8. Exit Rack |
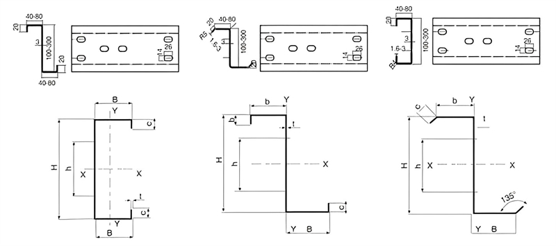
Profile Drawings For Reference

| C Purlin Section Size | |||||||
|
Model
|
Section Size (mm) | Hole Distance |
Remark
|
||||
| H | B | B | C | t | h | ||
| C100 | 100 | 40 | 40 | 15 | 2.0-3.0 | No Punching |
We Can Design the Machine According to Customer’s Requests
(with Middle Hole Punching).
|
| C120 | 120 | 50 | 50 | 20 | 2.0-3.0 | 40 | |
| C140 | 140 | 50 | 50 | 20 | 2.0-3.0 |
Adjustable Hole Distance
|
|
| C160 | 160 | 60 | 60 | 20 | 2.0-3.0 | ||
| C180 | 180 | 60 | 60 | 20 | 2.0-3.0 | ||
| C200 | 200 | 60 | 60 | 20 | 2.0-3.0 | ||
| C220 | 220 | 70 | 70 | 20 | 2.0-3.0 | ||
| C250 | 250 | 70 | 70 | 20 | 2.0-3.0 | ||
| C300 | 300 | 80 | 80 | 20 | 2.0-3.0 | ||
| Z Purlin Section Size | |||||||
|
Model
|
Section Size (mm) | Hole Distance |
Remark
|
||||
| H | B | b | C | t | h | ||
| Z100 | 100 | 55 | 50 | 20 | 2.0-3.0 | 40 |
We Can Design the Machine According to Customer’s Requests
(with Middle Hole Punching or Flange Punching).
|
| Z120 | 120 | 55 | 50 | 20 | 2.0-3.0 |
Adjustable Hole Distance
|
|
| Z140 | 140 | 55 | 50 | 20 | 2.0-3.0 | ||
| 2150 | 160 | 67 | 61 | 20 | 2.0-3.0 | ||
| Z160 | 180 | 67 | 61 | 20 | 2.0-3.0 | ||
| 2180 | 200 | 67 | 61 | 20 | 2.0-3.0 | ||
| 2200 | 220 | 67 | 61 | 20 | 2.0-3.0 | ||
| Z250 | 250 | 78 | 72 | 20 | 2.0.3.0 | ||
| Z280 | 280 | 78 | 72 | 20 | 2.0-3.0 | ||
| 2300 | 300 | 78 | 72 | 20 | 2.0-3.0 | ||